درایوها و استارت
 
صفحه اصلی / مطالعه موردی / درایو و استارتر / متالورژی / کاربرد درایوهای ولتاژ متوسط ​​Nancal Electric در فن های اگزوز اصلی زینترینگ متالورژی

کاربرد درایوهای ولتاژ متوسط ​​Nancal Electric در فن های اگزوز اصلی زینترینگ متالورژی

1. مقدمه

شرکت های آهن و فولاد مصرف کنندگان اصلی انرژی در اقتصاد ملی هستند و صنعت فولاد به عنوان بخش کلیدی برای حفظ منابع ملی تعیین شده است. با توجه به تنش فعلی بین عرضه و تقاضای انرژی چه در داخل و چه در سطح بین‌المللی، شرکت‌های فولادی نیاز فوری به کاهش مصرف انرژی از طریق روش‌های مختلف برای دستیابی به منافع اقتصادی و بهره‌وری بهینه دارند.

به عنوان مثال، در تولید سینتر، مصرف برق موتور به تنهایی بیش از 20 درصد از کل هزینه های انرژی را به خود اختصاص می دهد و موتورهای ولتاژ متوسط ​​که فن های محرک را تشکیل می دهند، بخش قابل توجهی از این را تشکیل می دهند. برای یک خط تولید زینترینگ معمولی، 25 تا 30 درصد انرژی الکتریکی برای راه اندازی انواع مختلف فن ها استفاده می شود. بنابراین، کاهش مصرف و بهبود بازده برای فن ها یک کار فوری است.

فن های اگزوز اصلی تف جوشی اغلب توسط موتورهای سنکرون پرقدرت هدایت می شوند. روش های اولیه راه اندازی برای موتورهای سنکرون عمدتاً راه اندازی مقاومت مایع بود. این روش راه‌اندازی و تنظیم مسائل متعددی از جمله جریان راه‌اندازی بالا، حساسیت به خارج از مرحله تحت بار سنگین و اتلاف شدید انرژی را ارائه کرد. علاوه بر این، برای ملاحظات ایمنی و پایداری، خود سیستم‌های پخت در ابتدا با حاشیه‌های قابل توجهی برای تجهیزات فن طراحی شدند که منجر به پدیده رایج "استفاده از پتک برای شکستن مهره" در بسیاری از کارخانه‌های پخت شد.

با تغییر شرایط عملیاتی و خروجی تولید، جریان هوای مورد نیاز سیستم نیز تغییر می کند. با این حال، اکثر فن ها هنوز از روش های تنظیم سنتی استفاده می کنند، یعنی تنظیم دهانه دمپرهای ورودی و خروجی. این روش با افزایش مقاومت باد و کاهش راندمان فن و در نتیجه اتلاف انرژی قابل توجهی به هدف خود می رسد. بنابراین، اجرای اصلاحات درایو فرکانس متغیر (VFD) برای موتورهای سنکرون با ولتاژ متوسط ​​پرقدرت که فن‌های اگزوز اصلی سینترینگ را هدایت می‌کنند، ضروری است.

烧结主抽-封面.png

شکل 1: محل فن اصلی اگزوز زینترینگ

2. راه حل فنی

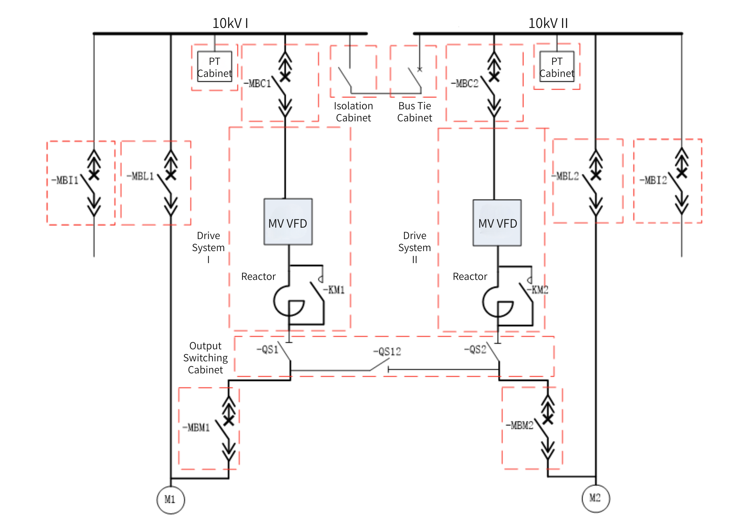
Nancal Electric با بهره‌گیری از سال‌ها تجربه استفاده از محصولات در صنعت متالورژی، فن‌های اگزوز اصلی زینترینگ را انجام داد. این پروژه شامل یک دستگاه زینترینگ 238 متر مربعی مجهز به دو فن اصلی اگزوز است که توسط موتورهای سنکرون 10 کیلو ولت / 4600 کیلووات هدایت می شود. در اصل، فن‌های اگزوز اصلی از مقاومت مایع استفاده می‌کردند و در فرکانس توان کار می‌کردند و با تنظیم دهانه‌های دمپر لوور ورودی برای اطمینان از تولید پایدار، الزامات فرآیند را برای فشار منفی جعبه باد و جریان هوا برآورده می‌کردند. برای این مقاوم‌سازی، دو دستگاه راه‌انداز مقاومت مایع اولیه 'one-drive-one' حذف شدند و با دو VFD برای تنظیم سرعت جایگزین شدند و به 'two-drive-two' راه اندازی نرم و تنظیم سرعت فرکانس متغیر با پشتیبان گیری دستی متقابل دست یافتند . نمودار تک خطی سیستم در زیر نشان داده شده است:

烧结主抽-图2-en.png

شکل 2: نمودار تک خطی VFD

رویه عملیاتی:

(1) هنگامی که دستگاه تف جوشی با بار کامل کار می کند، فن های زینترینگ با سرعت کامل کار می کنند. VFD موتور مربوطه خود را به صورت زیر راه اندازی می کند (به عنوان مثال از VFD شماره 1 برای راه اندازی موتور شماره 1 استفاده کنید):

الف عملکرد سرعت ثابت را در سیستم کنترل انتخاب کنید. MBL1 باز است.

ب سوئیچ ولتاژ متوسط ​​سمت ورودی VFD MBC1 و سوئیچ ولتاژ متوسط ​​سمت خروجی MBM1 باز هستند. سوئیچ ایزوله QS1 بسته است، سوئیچ ایزوله QS12 باز است.

ج کلید بای پس راکتور محدود کننده جریان باز است و بسته شدن آن ممنوع است.

د سوئیچ سمت ورودی VFD MBC1 را ببندید.

ه. سوئیچ سمت خروجی VFD MBM1 را ببندید.

f. با بسته بودن دمپر فن موتور را با سرعت نامی روشن کنید. هنگامی که ولتاژ خروجی VFD الزامات همگام سازی شبکه (دامنه، فرکانس، فاز) را برآورده می کند، MBL1 را ببندید، پالس های ماشه VFD را مسدود کنید، MBM1 را باز کنید و سپس MBC1 را باز کنید.

g. موتور شماره 1 و فن سینترینگ راه اندازی شده اند و اکنون به صورت آنلاین در فرکانس برق کار می کنند.

موتور شماره 2 به همین ترتیب راه اندازی و با شبکه هماهنگ می شود.

(2) هنگامی که یک VFD تحت تعمیر و نگهداری است یا معیوب است، VFD دیگر می تواند هر دو موتور را راه اندازی کند و آنها را به عملکرد فرکانس برق تغییر دهد. روش به شرح زیر است (به عنوان مثال از VFD شماره 1 برای راه اندازی موتور شماره 2 استفاده کنید):

الف عملیات فرکانس توان را در سیستم کنترل انتخاب کنید. MBL2 باز است.

ب برای شروع شماره 1 VFD را انتخاب کنید.

ج. برای راه اندازی موتور شماره 2 انتخاب کنید.

د سوئیچ سمت خروجی VFD MBM1 باز است. سوئیچ جداسازی QS2 باز است. QS1 و QS12 بسته هستند.

ه. کلید بای پس راکتور محدود کننده جریان باز است و بسته شدن آن ممنوع است.

f. سوئیچ ولتاژ متوسط ​​سمت ورودی VFD MBC1 و کلید ولتاژ متوسط ​​سمت خروجی MBM2 را ببندید.

g. با بسته بودن دمپر فن موتور را با سرعت نامی روشن کنید. وقتی خروجی VFD با شبکه همگام شد، MBL2 را ببندید، پالس های ماشه VFD را مسدود کنید، MBM2 را باز کنید و سپس MBC1 را باز کنید.

ساعت موتور شماره 2 و فن سینترینگ توسط VFD شماره 1 راه اندازی شده اند و اکنون در فرکانس توان کار می کنند.

3. پیکربندی اولیه

بر اساس الزامات پارامتر موتور و بار، پارامترهای اساسی درایو ولتاژ متوسط ​​Nancal Electric به شرح زیر است:

烧结主抽-表1-en.png

پارامترهای موتور به شرح زیر است:

烧结主抽-表2-en.png

4. توابع VFD

4.1 فناوری کنترل موتور سنکرون تحریک

با استفاده از کنترل برداری با کارایی بالا، درایو به کنترل مجزای گشتاور و شار موتور دست می یابد که امکان کنترل دقیق جریان تحریک و جریان گشتاور موتور سنکرون را فراهم می کند . موتور سنکرون از یک استراتژی کنترل برداری میدان گرا استفاده می کند. سیستم کنترل از یک ساختار حلقه بسته دوگانه با یک حلقه سرعت و یک حلقه جریان استفاده می کند. حلقه فعلی از یک تنظیم کننده PI برای عملکرد خوب ردیابی جریان استفاده می کند. حلقه سرعت از یک تنظیم کننده PI استفاده می کند تا به طور موثری بیش از حد را در طول پاسخ پویا محدود کند و سرعت پاسخ را تسریع کند.

4.2 تشخیص موقعیت اولیه روتور موتور سنکرون

قبل از راه اندازی موتور سنکرون، درایو ولتاژ متوسط ​​Nancal Electric یک سیگنال تحریک را به روتور اعمال می کند و از مدل ریاضی موتور برای تشخیص موقعیت روتور استفاده می کند. این فناوری به خطای دقت تشخیص موقعیت روتور اولیه کمتر از 3 درجه دست می یابد . زاویه بردار ولتاژ اولیه خروجی VFD از زاویه موقعیت روتور شروع می شود و از برگشت و جریان اضافه در هنگام راه اندازی جلوگیری می کند.

4.3 بدون اختلال با فرکانس متغیر شروع نرم و کنترل توقف نرم

VFD با قابلیت شروع نرم پیکربندی شده است و دارای فناوری سوئیچینگ بدون اختلال (فرکانس توان/فرکانس متغیر) است. سیستم کنترل کاملا دیجیتال قابلیت اتصال به شبکه همزمان را یکپارچه می کند. با استفاده از دستگاه‌های تشخیص الکترونیکی داخلی برای ولتاژ ورودی و خروجی، نیازی به PT خارجی یا رله‌های همگام‌سازی نیست که به طور قابل توجهی قابلیت اطمینان و نرخ موفقیت اتصال به شبکه را بهبود می‌بخشد..

4.4 ولتاژ پایین سواری (LVRT)

درایوهای ولتاژ متوسط ​​سری NC HVVF از فناوری پیشرفته Low Voltage Ride Through (LVRT) استفاده می کنند که برای افزایش قابلیت کارکرد مداوم طراحی شده است. این توانایی تجهیزات را برای مقاومت در برابر مشکلات کیفیت منبع تغذیه به حداکثر می‌رساند ، اطمینان می‌دهد که تجهیزات تا حد امکان تحت تأثیر اغتشاشات خارجی قرار نمی‌گیرند و در نتیجه از تداوم تولید محافظت می‌کنند.

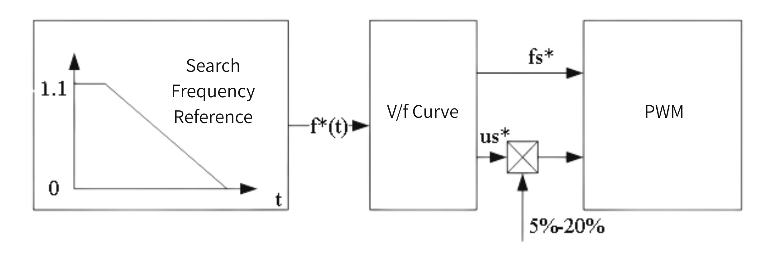
4.5 شروع پرواز

برای سازگاری با نوسانات ولتاژ شبکه و نیاز به تعویض باس منبع تغذیه اصلی در محل، سیستم یک عملکرد راه اندازی مجدد برای موتورهای دوار فراهم می کند. هنگام راه‌اندازی موتوری که از قبل در حال چرخش است، VFD می‌تواند به‌طور خودکار سرعت موتور را جستجو و ردیابی کند، با توجه به زمان تنظیم‌شده شتاب/کاهش سرعت ، به وضعیت کارکرد عادی بازگردد و از عملکرد ایمن واحد بدون خاموش شدن اطمینان حاصل کند.

烧结主抽-图3-en.png

شکل 3: نمودار منطقی شروع پرواز

5. نتایج پس از بازسازی

این مقاوم‌سازی الزامات توقف کوتاه‌مدت تولید بدون خاموش شدن فن در خط اگزوز اصلی زینترینگ را برآورده می‌کند: زمانی که سایر تجهیزات موجود در محل با خرابی کوتاه‌مدت (زمان خاموش شدن کمتر از 3 ساعت ) مواجه شدند، موتور می‌توان با فرکانس کاهش‌یافته از طریق VFD کار کرد و فرکانس را به 25 هرتز یا حتی کمتر کاهش داد . در این دوره، صرفه جویی در انرژی فن به حداکثر رسید.

کنترل فرآیند پخت بهینه شد: فرآیند تف جوشی به کنترل دقیق جریان هوا، درجه خلاء، ضخامت بستر، سرعت دستگاه و نقطه پایانی پخت نیاز دارد. ارضای همه این نکات به طور همزمان کیفیت زینتر تمام شده را تضمین می کند. با استفاده از روش تنظیم سرعت VFD، نقطه عملیاتی بهینه را می توان با کنترل VFD برای تنظیم جریان هوا و درجه خلاء (عمدتاً فشار، که تحت تأثیر ضخامت بستر و ظرافت مواد قرار دارد - مواد درشت نفوذپذیری بالاتری ارائه می‌دهند، به فشار کمتری نیاز دارند؛ مواد ریز نفوذپذیری کمتری را ارائه می‌دهند، نیاز به فشار بالاتری دارند) بر اساس ضخامت بستر و سرعت دستگاه، در حالی که حاشیه خاصی را ایجاد می‌کنند. این نیازهای واقعی فرآیند تولید را برآورده می کند و در عین حال به حداکثر صرفه جویی در انرژی، دستیابی به اهداف تضمین تولید و بهبود کارایی دست می یابد.

احتمال تغییر شکل مجرای هوا و نشت هوا به طور قابل توجهی کاهش یافت و ایمنی مجرای هوا را بهبود بخشید : کارکردن فن خروجی اصلی تف جوشی در نقطه کار بهینه خود از طریق VFD از فشار بیش از حد بر کانال‌های هوا جلوگیری می‌کند و از حوادثی مانند فروپاشی کانال یا تغییر شکل جلوگیری می‌کند و در نتیجه بار کار تعمیر و نگهداری و خطرات را برای کارکنان کاهش می‌دهد.

VFD همچنین قابلیت شروع نرم را ارائه می دهد: با راه اندازی نرم موتور با VFD، می توان جریان راه اندازی را کمتر از جریان نامی کنترل کرد. با استفاده از طرح پیش شارژ ولتاژ متوسط ​​و فناوری سوئیچینگ بدون اختلال اتصال شبکه همزمان مبتنی بر راکتور، راه اندازی صاف واقعاً بدون ضربه حاصل می شود..

پس از مقاوم سازی، صرفه جویی قابل توجهی در انرژی از طریق تنظیم سرعت VFD حاصل شد. این بازسازی پروژه باعث صرفه جویی در هزینه های قابل توجه برق شرکت، کاهش هزینه های تولید و بهبود راندمان تولید شد و منافع اقتصادی قابل توجهی را در کنار مزایای اجتماعی مثبت به همراه داشت. علاوه بر این، فن اکنون به راه اندازی نرم دست می یابد و به وضوح مشکلاتی مانند جریان راه اندازی بالا، بار سنگین خارج از مرحله و هزینه های بالای نگهداری را حل می کند.

Nancal Electric همچنان بر مشتری متمرکز است و راه‌حل‌های مقاوم‌سازی فنی مختلفی را برای مشتریان در پروژه‌های مقاوم‌سازی فن اگزوز اصلی زینترینگ صنعت متالورژی ارائه می‌کند. اینها شامل یک درایو-یک استارت نرم، تنظیم سرعت فرکانس متغیر دو درایو-دو با سوئیچینگ خودکار متقابل پشتیبان، و تنظیماتی است که در آن یک VFD در پشتیبان گیری متقابل با یک استارت نرم جامد (یا استارت مقاومت مایع) کار می کند. این راه‌حل‌ها پشتیبانی فنی بسیار مهمی را برای شرکت‌ها برای کاهش هزینه‌ها، بهبود کارایی و افزایش کنترل فرآیند فراهم می‌کنند.

تماس با ما

تلفن:57541550-021- 86+

همراه: 18217165478- 86+

کد بورسی: 603859

Shanghai Nancal Electric Co., Ltd.                                                        沪ICP备2021021924号©